Translate

Download Skoda Octavia Wire Diagram Paperback

Download Skoda Octavia Wire Diagram Hardcover





  • Read Stahl Psychopharmacology 2013 Pdf Torrent Doc
  • Read Online Million Dollar Prospecting Techniques rtf
  • Read Online 2005 Kia Cerato Repair Manual Pdf Epub
  • Download Suzuki-Ts-100-Sevice-Manual Reader
  • Download Sectarian Healers And Hypnotherapy Audio CD
  • Read The Complementary Therapists Guide To Conventional Medicine Doc
  • Read Online Keeway Flash 50cc Manual Doc
  • Read Online Better: A Surgeon�‚�„�S Notes On Performance By Atul... Doc
  • Download Vistas Spanish 4th Edition mobipocket
  • Read Algorithmic Geometry Library Binding
  • Read Online Human Relations: A Job Oriented Approach Epub
  • Read Online Scott Standard Postage Stamp Catalogue 2014 rtf
  • Read Online Correspondance Litt��Raire , Philosophique Et Critique Par Grimm , Diderot , Raynal , Meister , Etc (.) Tome 2. Doc
  • Download Acting Up mobipocket
  • Download Boeing Standard Wiring Practices Doc
  • Read Fundamentals Of Database Systems 6th Edition Solution Manual Pdf Kindle Editon
  • Read Iphone For Dummies Audio CD
  • Download New Treehouses Of The World rtf
  • Download Howto Put Clutch In A 1997 Ford Explorer Doc
  • Read Kayla-Itsines-Bikini-Body-Bundle-Free Doc

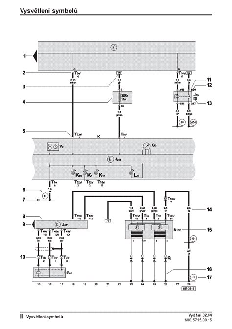
  • Skoda Octavia Wire Diagram

    Skoda Octavia Wire Diagram

    Skoda Octavia Wire Diagram


    0 Response to "Download Skoda Octavia Wire Diagram Paperback"

    Post a Comment